建筑题库 > 正文

某施工单位承建了某高速公路路面工程,其主线一般路段及收收费广

2018-12-17来源: 建设工程教育网

  背景资料:

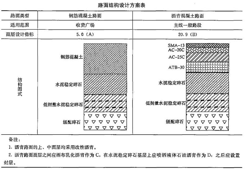
  某施工单位承建了某高速公路路面工程,其主线一般路段及收费广场路面结构设计方案如下表2:

  

某施工单位承建了某高速公路路面工程,其主线一般路段及收收费广

  本项目底基层厚度20cm,工程数量为50万m2。施工单位在底基层施工前完成了底基层水泥稳定碎石的配合比等标准试验工作,并将试验报告及试验材料提交监理工程师中心试验室审批。监理工程师中心试验室对该试验报告的计算过程复核无误后,批复同意施工单位按标准试验的参数进行底基层的施工。

  本项目最终经监理工程师批复并实施的底基层水泥稳定碎石施工配合比为:水:水泥:碎石(10~30mm):碎石(5~10mm):石屑(0~5mm)=5.8:3.8:48:10:42,最大干密度为2.4g/cm3,底基层材料的施工损耗率为1%。

  本题知识点:公路工程项目施工管理,

  1) 按组成结构分,本项目上面层、中面层分别属于哪一类沥青路面结构?

  【正确答案】 SMA-13是密实骨架结构;AC-20C是密实悬浮结构。

  【答案解析】

  本题知识点:公路工程项目施工管理,

  2) 写出表2中括号内A、B对应的面层设计指标的单位。

  【正确答案】 A为MPa(或兆帕);B为1/100mm。

  【答案解析】

  本题知识点:公路工程项目施工管理,

  3) 写出表2中备注2所指功能层C、D的名称,并说明设置封层的作用。

  【正确答案】 C:粘层;D:透层。

  封层的作用有:

  (1)封闭某一层,起保水防水作用;

  (2)起基层和上一层(ATB层)的过渡和有效连接作用;

  (3)对基层的加固补强;

  (4)在沥青面层铺筑前,要临时开放交通,防止基层因天气和车辆作用出现水毁。

  【答案解析】

  本题知识点:公路工程项目施工管理,

  4) 监理工程师中心试验室对底基水泥稳定碎石配合比审批的做法是否正确?说明理由。

  【正确答案】 监理工程师的做法不正确。因为未进行复核(对比)试验即批复。

  【答案解析】

  本题知识点:公路工程项目施工管理,

  5) 计算本项目底基层水泥稳定碎石的水泥需用量为多少吨?(计算结果保留一位小数)。

查看答案解析

  【正确答案】 500000×0.2×2.4×3.8/(3.8+48+10+42)×(1+1%)=8874.0吨。

  【答案解析】

  本题知识点:公路工程项目施工管理,

2019二级造价高效取证方案
分享到:
阅读下一篇
某施工单位承接了一级公路某标段施工任务,标段内有5座多
2019年一建报考常见问题

2019年二建报名条件}} 选课

选课中心

试听

免费试听

题库

试题中心

指南

报考指南

名师

网校名师

招生

招生方案

动态

考试动态

微信

消防微信


取消
复制链接,粘贴给您的好友

复制链接,在微信、QQ等聊天窗口即可将此信息分享给朋友