建设工程教育网
BIM

下载app
首页 > BIM > 试题中心 > 历年试题

第三期全国BIM技能等级一级试题第四题

  中国图学学会举办的全国BIM技能等级一级考试报考人数较多,应用范围较广,掌握往期试题,熟悉考点难点,是每个考生快速了解考试的必要手段。第三期全国BIM技能等级一级考试试卷如下,供广大考生参考学习,全国BIM技能等级一级考试试卷试题视频解析详见培训课程。

点击咨询课程>>   快速了解课程详细>>   立即购课报名学习>>

全国BIM等级考试学习交流群:813273036

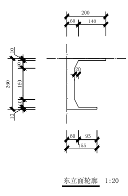
  4、根据下图中给定的轮廓与路径,创建内建构件模型。请将模型文件以“柱顶饰条”为文件名保存到考生文件夹中。 (10分)

第一题 第二题 第三题 第四题 第五题

立即购课视频解析往期试题>>

  以上是第三期全国BIM技能等级一级考试试卷,全国BIM技能等级一级考试培训课程包含往期所有试题解析视频,建设工程教育网携手上海交通大学老师,录制了适合各种基础考生学习的培训课程,帮助大家在短期内掌握BIM应用技能,顺利通过中国图学学会举办的全国BIM技能等级考试,获取由中国图学学会颁发的等级证书,和人社部颁发的培训证书,一考两证,快速咨询证书>>

我要纠错】 责任编辑:lala

BIM等级课程招生立即查看>>

打开APP看资讯 更多更快更新鲜 >>
学习资料包免费领取

学习计划攻略考试政策

/模拟题备考精华

一键领取
加入组织一起备考

加入一级建师
备考交流学习

关注公众号
(jianzao1)了解更多

前往建设工程教育网APP查看 体验更佳!
取消 前往
下载APP

交流分享,早日上岸!

添加老师微信号
回复报考专业进群
已加入购物车