中国图学学会举办的全国BIM技能等级一级考试报考人数较多,应用范围较广,掌握往期试题,熟悉考点难点,是每个考生快速了解考试的必要手段。第二期全国BIM技能等级一级考试试卷如下,供广大考生参考学习,全国BIM技能等级一级考试试卷试题视频解析详见培训课程。
点击咨询课程>> 快速了解课程详细>> 立即购课报名学习>>

全国BIM等级考试学习交流群:813273036
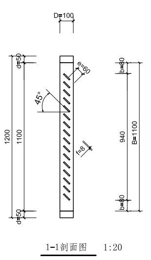
4.根据给定的尺寸标注建立“百叶窗”构建集
(1)按图中的尺寸建立模型。 (1 0分)
(2)所有参数采用图中参数名字命名,设置为类型参数,扇叶个数可以通过参数控制,并对窗框和百叶窗百叶赋予合适材质,请将模型文件以“百叶窗”为文件名保到考生文件夹中。 (8分)
(3)将完成的“百叶窗”载入项目中,插入任意墙面中示意。 (2分)
第一题 第二题 第三题 第四题 第五题
立即购课视频解析往期试题>>
以上是第二期全国BIM技能等级一级考试试卷,全国BIM技能等级一级考试培训课程包含往期所有试题解析视频,建设工程教育网携手上海交通大学老师,录制了适合各种基础考生学习的培训课程,帮助大家在短期内掌握BIM应用技能,顺利通过中国图学学会举办的全国BIM技能等级考试,获取由中国图学学会颁发的等级证书,和人社部颁发的培训证书,一考两证,快速咨询证书>>
BIM等级课程招生立即查看>>