建设工程教育网
BIM

下载app
首页 > BIM > 试题中心 > 历年试题

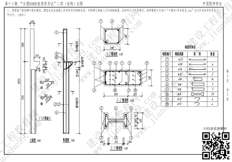
第十六期全国BIM技能等级二级(结构)试题答案第三题

2021年全国BIM技能等级上半年考试预计在6月份,建设工程教育网为大家整理了第十六期全国BIM技能等级考试BIM二级(结构)试题,希望对BIM考生们有所帮助!

结构3

BIM等级课程招生立即查看>>

打开APP看资讯 更多更快更新鲜 >>
学习资料包免费领取

学习计划攻略考试政策

/模拟题备考精华

一键领取
加入组织一起备考

加入一级建师
备考交流学习

关注公众号
(jianzao1)了解更多

前往建设工程教育网APP查看 体验更佳!
取消 前往
下载APP

交流分享,早日上岸!

添加老师微信号
回复报考专业进群
已加入购物车