以下习题来源于建设工程教育网每日一练免费在线测试栏目,建设工程教育网老师针对一级建造师考试的重要考点、知识点举出典型例题,并提供详细答案解析,供大家深入理解考点,结合习题掌握知识点,在备战路上知己知彼,百战不殆。
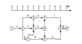
下列双代号时标网络计划中,关键线路有( )条。

A、5
B、4
C、3
D、2
建设工程教育网原创·转载请注明出处
针对大家在做题过程中出现的问题,可以在建设工程教育网一级建造师考试论坛进行题目的讨论,实在不理解的也可以到答疑板提问(购课学员享受答疑板服务),最终的目的是让广大学员都能够打下一个坚实的基础,在考试的时候遇到类似的问题大家可以得分。