2011年二级建造师考试《公路工程》试题案例分析题第4题
背景:
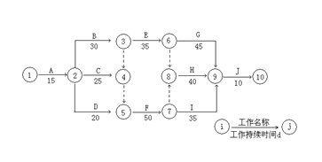
单位承接了某二级公路桥梁工程,施工单位按照合同工期要求编制了如图4所示(时间单位:d),并经监理工程师批准后实施。

过程中,发生了如下事件:
事件1:工作D(1号台基础)施工过程中,罕见特大暴雨天气使一台施工机械受损,机械维修费花费2万元,同时导致工作D实际时间比计划时间拖延8d.
事件2:施工单位租赁的施工机械未及时进场,使工作F(1号台身)实际时间比计划时间拖延8天,造成施工单位经济损失2000元/d.
事件3:业主变更设计,未及时向施工单位提供图纸,使工作E(O号台身)实际时间比计划)拖延15d,造成施工单位经济损失1600元/d.
问题:
1.根据网络图计算该工程的总工期,并指出关键路线。
2.分别分析事件1、2、3对总工期的影响,并计算施工单位可获得的工期补偿。
3.分别分析施工单位能否就事件1、2、3导致的损失向业主提出索赔,说明理由,并计算索赔金额。
4.将背景中的双代号网络改为单代号网络。
【建设工程教育网老师权威解析】:
1.工期为145天
关键线路为:①→②→③→④→⑤→⑥→⑦→⑧→⑨→⑩(或A→B→F→H→J)
2.事件一中,工作D为非关键工作,总时差为10,其对总工期的影响是误期8-10=-2,无影响。
事件二中,工作F为关键工作,其对总工期的影响是误期8天。
事件三中,工作E为非关键工作,总时差为10,其对总工期的影响是误期15-10=5天。
施工单位可以就事件一、三导致的工期延误提出工期补偿要求,不能就事件二导致的工期延误提出工期补偿要求。施工单位可获得的工期补偿为max{-2,5}=5天。
3.事件一:属于天气原因(或属双方共同承担的风险),不能提出费用索赔。
事件二:由于施工单位原因导致的损失,不能提出费用索赔。
事件三:由于业主原因导致的损失,可以提出费用索赔。索赔金额为15×1600=24000元
4.单代号网络为:

答案及解析由网校老师整理而成,据学员反映部分网站未经许可擅自转载,且出现内容错误,请大家以本网为准。
若您在二建学习过程中有任何疑问,欢迎进入论坛讨论![]()
推荐:
·2014年二级建造师考试高分通过方案
·2011-2013年二级建造师试题及答案
·2014年二建教材即将改版,获取一手老师解读信息,关注官方微信!

责任编辑:天蓝