陕西2020年二级造价工程师考试已经告一段落,在这里提供2020年陕西二级造价工程师《安装工程》实务试题考生回忆版,供大家参考学习。
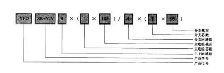
12、某预分支电缆 YED ZR-YJV4×(2×135)/4×(1X95),其中“2”表示()。
A.分支电缆芯数
B.产品代号
C.主电线截面
D.主电缆芯数
参考答案:
参考解析:参考教材《2020年陕西省建设工程计量写计量实务》(电气安装工程)P84。预分支电缆的型号及含义。

以上就是陕西2020年二级造价工程师计量与计价安装专业试题及答案,更多考试信息请关注本网站二级造价师历年试题频道。